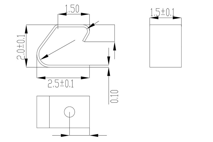
镀金SMD弹片可压缩70%十万次不变形0.1*2.5*2.0*1.5

发布时间:2021-09-02 文章作者:admin 文章来源:未知 129
PCB板接地弹片,一种可防止中央处理器电磁波干扰导电弹片结构。故利用EMI CLIP之导电特性,可有效干扰电磁波之外溢,达到按照检测标准。
EMI CLIP之特性如下:
1.具导电特性,可干扰电磁波外溢效果。
2.具弹性并有避震减压的功能,可调整高度保护CPU之效果。
3.具焊锡性,可焊接于主板机上。
4.料带包装,可用SMT装置快速地植入主机板上,节省人工成本,耐磨性好、耐压性好、可塑性好。
SMD弹片之特性及优势:
1.耐磨性好、耐压性好、可塑性好。
2.重量轻,所占PCB之面积小,以SMT方式取代人工,节省成本。
3.镀金的表面处理方式,导电性及耐腐蚀性能佳
SMD弹片应用于:
电脑、手机、电子通讯、汽车电子(如智能驾驶、智能泊车)、家具电子(家居电器自动报警)等领域。
易密斯作为SMD弹片生产厂家,具有SMD弹片60余款。可根据客户应用场景出解决方案,一对一客户服务团队, 如需进一步了解产品与设计事宜,请联系我们的工程师15151610867为您提供量身的产品选择。
铍速8官方网站片
指形铍速8官方网站片laird替代单价优惠30%
SMD弹片C型0.1*2.5*2.0*1.5
SMD弹片PCB板接地弹片
相关新闻
  • 苏州昆山市

  • 15151610867

  • jack.wang@ksems.com.cn

免费获取铍速8官方网站片客户解决方案

优势一试便知

走进易密斯

我们致力于铍速8官方网站片领域,成为行业专家,勇做行业的领跑者。 诚信从事一切活动,成为社会快乐的创造者。

  • 15

    专注于铍速8官方网站片领域15年

  • 1000

    注册资本1000万元

  • 2000ISO

    ISO2000认证体系

官方服务热线

15151610867

公司地址

江苏省苏州市昆山市巴城镇石牌长江北路315号

公司邮箱

jack.wang@ksems.com.cn

网站速8(中国)
产品中心
在线咨询